我们非常重视您的个人隐私,当您访问我们的网站时,请同意使用的所有cookie。有关个人数据处理的更多信息可访问《隐私政策》
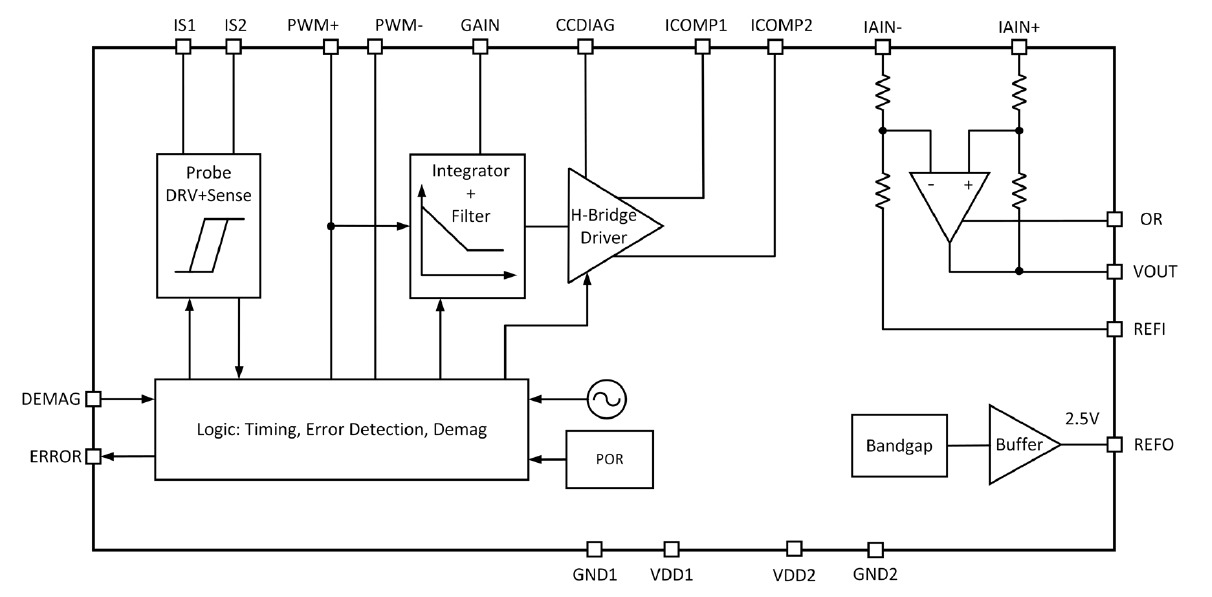
NSDRV401 是一款集成电路芯片,专为控制和处理磁电流传感器的信号而设计。其主要用途是精准监测和测量交流电(AC)与直流电(DC)。NSDRV401 可适配不同类型的电流传感器,探头频率范围介于 250kHz 至 550kHz 之间。
NSDRV401 能为磁场探头提供激励信号,使探头可检测磁场变化。它会对探头输出的信号进行处理,并生成与原边绕组电流成比例的模拟输出电压信号。该芯片具备高分辨率、低温漂的测量性能,因此适用于对精度有高要求的应用场景。它支持宽带宽范围,可满足不同频率电流的监测需求。此外,该芯片还集成了过载与故障检测功能,以及瞬态噪声抑制功能,以此提升测量与检测的可靠性。

如您需要咨询产品更多信息,请点击“联系我们”,我们将尽快回复您!