
NOVOSENSEは、車載グレードの絶縁ハーフブリッジドライバチップNSI6602MxExシリーズを発表しました。本シリーズは、NOVOSENSEの主力製品NSI6602をベースに、ミラークランプ機能を統合し、高絶縁型電圧、低遅延、デッドタイム設定可能、低電圧しきい値選択可能などの特長を兼ね備えています。SiCやIGBTなどのデバイス駆動に適しており、新エネルギー車のOBC、DC/DC、アクティブサスペンションなどの幅広い用途に適します。

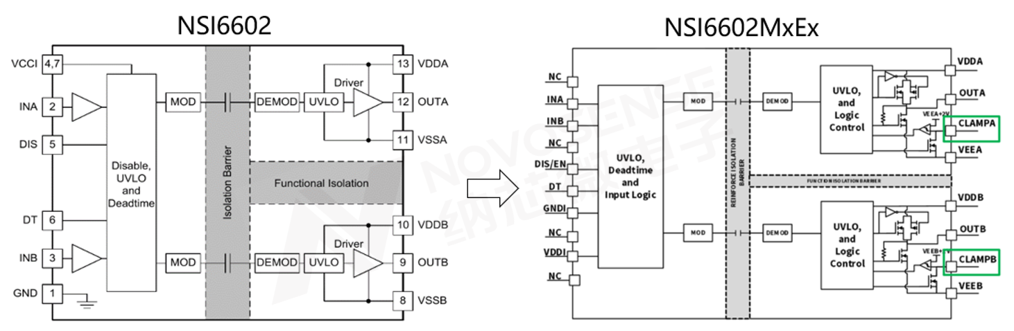
NSI6602MxExとNSI6602の機能ブロック図比較
5Aミラークランプ機能でハーフブリッジ回路の安全性・信頼性を向上
実際の応用において、OBC/DC-DC、産業用電源、モータドライバなどのブリッジ回路におけるパワーデバイスは、クロストークを起こしやすい傾向があります。特に、第3世代パワーデバイスであるSiCやGaNの採用が進むにつれ、ゲートしきい値電圧および最大許容負電圧は共に低下しており、寄生ターンオンを抑制するための電圧マージンが減少し続けています。従来のハーフブリッジドライバチップを使用する場合、ミラー効果によるアーム直通を回避するためには、ドライバ回路の調整が必要となります。
しかし、多くのケースでは、ドライバパラメータや正負電源電圧の綿密な調整、さらにPCBゲート寄生パラメータの最適化を行っても、正負双方のクロストークを同時に安全マージン内に収めることは困難です。これはSiCなどのデバイス性能発揮を制限するだけでなく、潜在的な安全リスクをも引き起こす可能性があります。

スイッチング過程におけるミラー効果の原理
NOVOSENSEのNSI6602MxExシリーズは、2チャネルのハーフブリッジドライバ回路に5A対応のミラークランプ機能を統合しました。これにより、ミラー電流に対して最小インピーダンスの放電経路を提供し、クロストーク電圧の上昇を効果的に抑制することができます。NSI6602MxExは、NSI6602をベースにフル装備化され、SiCなどのデバイスを安全に駆動するための強力なサポートを提供します。
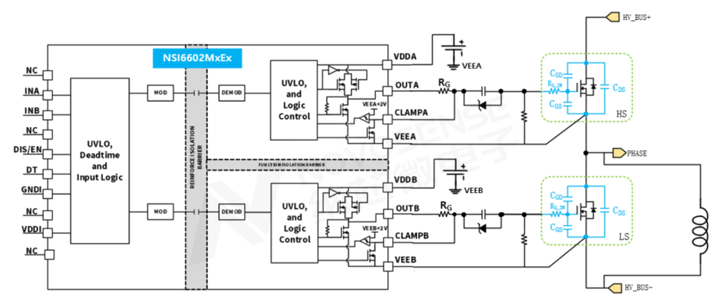
NSI6602MxExミラークランプソリューションの応用事例
SiCパワーデバイスを使用する際、高いdv/dt特性により、ゲートには正負のクロストーク電圧(Vswing)の振幅が、ゲートオンしきい値(Vgsth)や負方向耐圧限界(Vgs_min)を超える状況が頻発します。このようなクロストークは誤ターンオンやデバイス損傷を引き起こしやすく、高性能ドライバ設計における大きな課題となります。

従来の駆動ソリューション
上図に示すような従来のSiCデバイスにおけるゲートクロストーク対策は、理論上は「実現可能」ですが、高周波・高電圧のSiC応用においては、低損失と十分な安全マージンを同時に達成することは依然として困難です。
下図は、あるSiCデバイスに対して、NSI6602MxExと従来のミラークランプなしドライバチップをそれぞれ使用した比較試験結果を示しています。同一の駆動パラメータおよびlayout条件において、NSI6602MxExは正負のVswingを大幅に抑制でき、適切な負電圧オフと組み合わせることで、ゲートクロストークを安全範囲内に抑え込むことが可能です。

異なるデバイスにおけるクロストーク振幅Vswingの比較波形

異なるソリューションの効果比較
さらに、Ciss/Crssに最適化された一部のデバイスに対してはNSI6602MxExは負電圧を使用せずともクロストークを制御可能であり、システム設計の複雑さを大幅に低減できます。
付録:テスト回路および上側トランジスタのオン/オフ時における下側トランジスタのテスト波形

NSI6602MxExテスト回路


上側トランジスタのオン時における下側トランジスタのテスト波形
±10A出力電流で周辺回路の簡素化を支援
NSI6602MxExは強力な駆動能力を提供し、最大10Aのプル・プッシュ電流を出力可能で、レールツーレール出力に対応しています。大きなゲート電荷量(Qg)を持つパワートランジスタを直接駆動する場合や、複数トランジスタを並列接続するアプリケーションにおいても、従来のソリューションと比較して、NSI6602MxExは追加のバッファを必要とせず、高効率な駆動を実現し、周辺回路設計の簡素化に寄与することができます。さらに、最大動作電圧32V、絶対最大耐圧35Vにより、より高いEOSショックに対応可能です。簡素化された駆動周辺回路設計と組み合わせることで、回路全体の信頼性を大幅に向上させます。
プログラマブルデッドタイムおよび多段階の低電圧しきい値で設計の柔軟な構成を支援
NSI6602MxExはDTピンを介してデッドタイムの設定をサポートし、プルダウン抵抗の調整により異なるデッドタイムを柔軟に設定可能です。さらに、DTピンを一次側VCCに直接接続して、2チャネル駆動の並列出力も可能です。
また、DIS/ENの2種類の選択可能なイネーブルロジックを備え、エンドアプリケーションに多様な制御ロジックを提供します。さらに、副次電源の低電圧UVLOには8V、12V、17Vの3種類の選択肢があり、IGBTやSiC用途のさまざまな電源設計シーンにおける低電圧保護に適合します。
NSI6602MxExの製品特性:
5700VRMS絶縁耐圧で高電圧SiCおよびIGBTを駆動可能
高CMTI:150 kV/μs
入力側電源電圧:3V~18V
駆動側電源電圧:最大32V
レールツーレール出力
ピークプル・プッシュ電流:±10A
ピークミラークランプ電流:5A
駆動電源低電圧:8V/12V/17Vの3段階選択可能
プログラム可能なデッドタイム
選択可能な正負論理イネーブル設定
代表的な伝搬遅延時間:80ns
動作周囲温度:-40℃~125℃
車載用途向けAEC-Q100規格準拠
RoHS準拠パッケージングタイプ:SOW18、沿面距離 >8mm

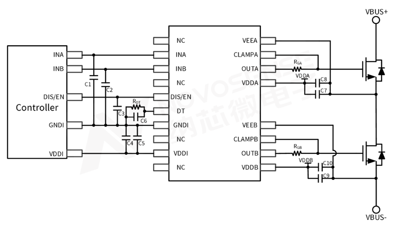
代表的な応用回路
バリエーションとパッケージ
NSI6602MxExシリーズは6種類のモデルを提供しており、多彩なイネーブルロジック設定と駆動電源低電圧値の仕様を備え、さまざまな応用シーンに柔軟に対応可能です。
