我们非常重视您的个人隐私,当您访问我们的网站时,请同意使用的所有cookie。有关个人数据处理的更多信息可访问《隐私政策》
产品特性
• 满足AEC-Q100 grade 1: –40°C~125°C TA(车规版本)
• 工作电压:4.5V~35V (40V耐压) ,输出电流:10A (峰值)
• 超低内阻 Rds(on) (上管+下管):150mΩ @TJ = 25°C, 13.5V
• 集成电流采样功能:比例电流输出(IPROPIx)
• 可配置的控制模式
-PH/EN
-PWM(IN1/IN2)
-独立半桥控制
• 输出压摆率可配置,优化降低EMI性能
• 低功耗模式:静态电流3μA @TJ = 25°C, 13.5V
• SPI 和硬件接口选择:
-SPI接口:NSD7315S-Q1
-硬件接口:NSD7315H-Q1
• 先进保护和智能诊断功能:电源欠压保护,电荷泵欠压,过流保护,负载开路检测,过热关断与过热预警,故障状态输出(nFAULT/SPI)
应用场景
• 电子节气阀门
• 废弃循环阀门
• 后视镜折叠
• 空气转向阀门
• 车身电子锁
• 滚刷电机
• 管状电机
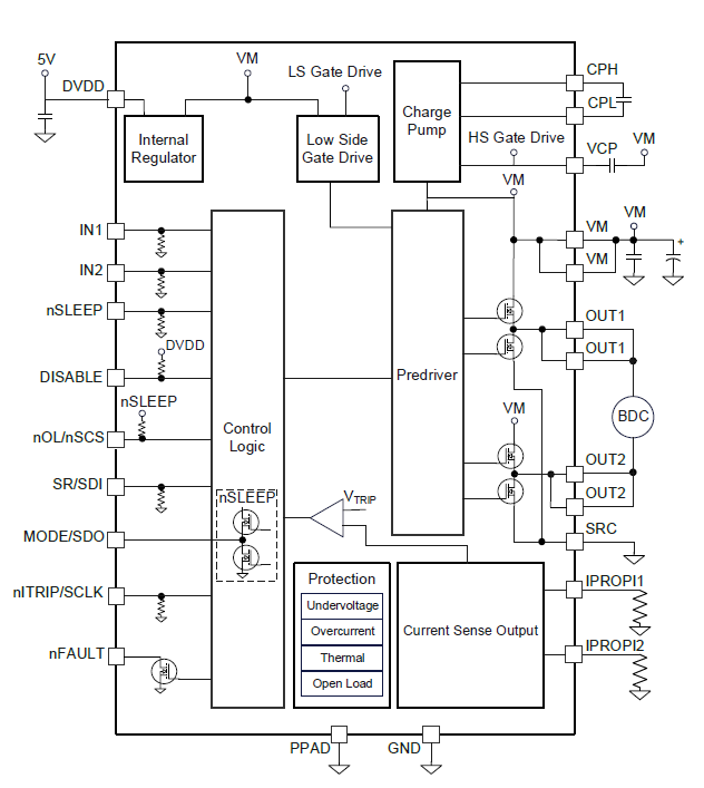
功能框图


如您需要咨询产品更多信息,请点击“联系我们”,我们将尽快回复您!