我们非常重视您的个人隐私,当您访问我们的网站时,请同意使用的所有cookie。有关个人数据处理的更多信息可访问《隐私政策》
产品特性
• 完全兼容 ISO11898-2 标准和 SAE J2284-1 至 SAE J2284-5 标准
• I/O 电压范围支持 3V 和 5V MCU
• 总线故障保护电压为 -58V 至 +58V
• 传输数据 (TXD) 主导超时功能
• 总线主导超时功能
• 低功耗管理控制整个节点的电源,同时支持本地和远程唤醒,并具有唤醒源识别功能
• 多种保护和诊断功能,包括总线线路短路检测和电池连接检测
• CAN FD 数据速率:高达 5Mbps
• 低环路延迟: <250ns
• 工作温度:-40℃~125℃
• 通过 AEC-Q100,Grade 1 认证
• 符合 RoHS 规范的封装: SOP14、DFN14
应用场景
• 12V 或 24V 系统应用
• 汽车和运输系统
- 高级驾驶辅助系统(ADAS)
- 信息娱乐系统
- 集群
- 车身电子设备和照明
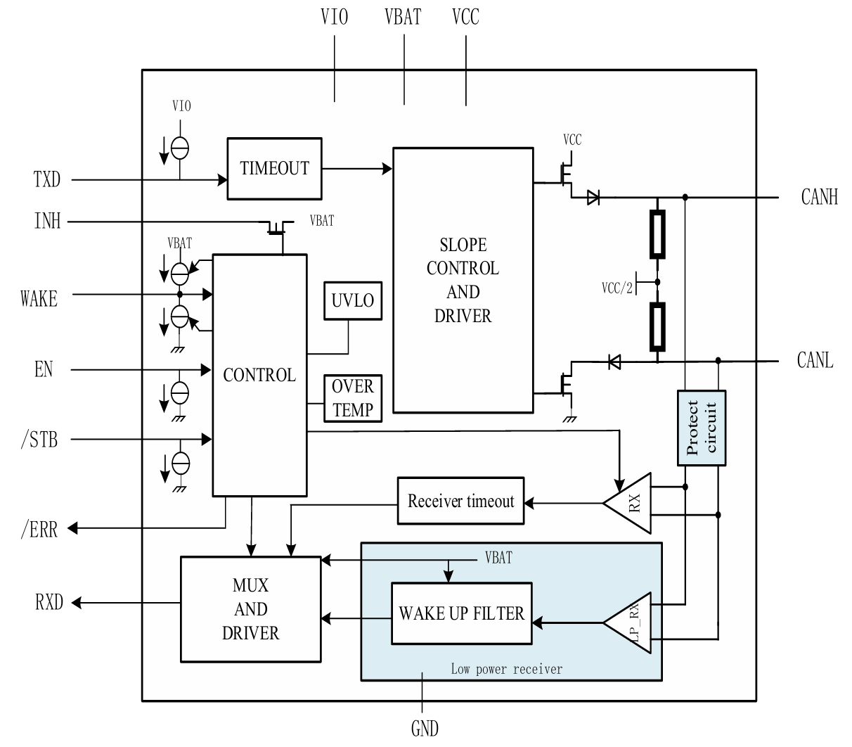
功能框图

相关资源

如您需要咨询产品更多信息,请点击“联系我们”,我们将尽快回复您!