我们非常重视您的个人隐私,当您访问我们的网站时,请同意使用的所有cookie。有关个人数据处理的更多信息可访问《隐私政策》
纳芯微今日宣布推出车规级四位自动双向型电平转换器NCAS0104和NCAB0104。新推出的电平转换器具备高达15kV的ESD性能,支持更宽的端口输入电压(端口A:1.1~3.6V;端口B:1.65~5.5V),可广泛适用于汽车信息娱乐系统、高级辅助驾驶系统、以及AI服务器等相关应用中,是系统间跨电压域互联互通的关键元件。

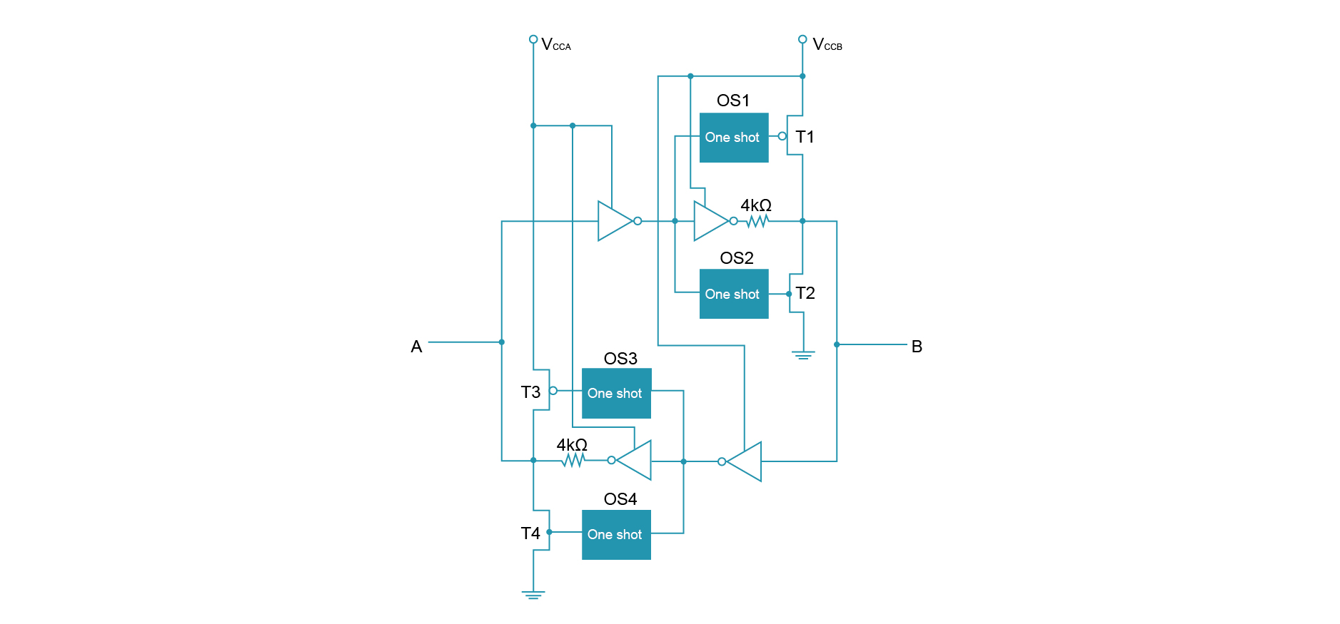
全新发布的NCAS0104和NCAB0104均为弱缓冲型电平转换器,其中,NCAS0104内部集成了N沟道传输FET、10kΩ上拉电阻和上升沿速率加速电路,适用于驱动高阻抗负载,支持推挽和开漏的应用场合;NCAB0104内部集成了上升沿/下降沿速率加速电路和4kΩ缓冲电路,适合轻负载的推挽应用。

NCAS0104功能框图

NCAB0104功能框图
ESD性能高达15kV,全面护航系统可靠性
NCAS0104和NCAB0104通过优化的电路设计实现了超高的ESD性能,高压侧的端口B通过了15kV的人体模型(HBM)测试 (JESD 22标准)和系统级ESD测试(IEC 61000-4-2标准),显著优于市场同类产品,为汽车电子等系统在复杂电磁环境下的稳定运行提供坚实保障。
更宽的端口输入电压,支持灵活的器件选型
NCAS0104和NCAB0104的端口A支持1.1~3.6V输入,端口B支持1.65~5.5V输入。更宽的端口输入电压,使得工程师能够在系统设计中不更换电平转换的情况下,更加灵活地选择外围器件,通过归一化的方案,显著降低系统设计难度,加速产品上市。
封装和选型
NCAS0104和NCAB0104满足AEC-Q100要求,工作温度为-40~125℃。NCAS0104提供TSSOP14和VQFN14封装,NCAB0104提供UQFN12封装。NCAS0104和NCAB0104将于2025年8月陆续量产。可联系纳芯微销售团队(sales@novosns.com)咨询产品详情或进行样片申请。
一站式电平转换解决方案
纳芯微可提供多种类型的电平转换器,包括:固定方向型、方向控制型、自动双向型,可满足客户在不同应用场合下的设计需求:
固定方向型电平转换器对器件输入端的输入信号执行单向电平转换,然后提供到器件输出端。纳芯微固定方向型电平转换器产品包括:NCA8244、NCA8244L、NCA8541,均为单电源供电。
方向控制型电平转换器配备一个或多个方向控制引脚,允许系统工程师灵活配置输入/输出方向,甚至实现单设备上的双向同时转换,提供更高的设计灵活性。纳芯微方向控制型电平转换器产品包括:NCA8T245、NCA8245、NCA8245L、NCA84245。
自动双向型电平转换器可自动感知通信方向并采取相应动作。如果处理器GPIO需要信号双向传输,自动方向型电平转换器可以提供更加稳健的解决方案。自动双向型电平转换器不需要使用方向控制信号,每个通道都支持数据的独立传输或接收,消除了对处理器GPIO控制DIR输入的需求,从而简化了软件驱动程序的开发。纳芯微已有的自动双向型电平转换器现包括:NCA9306、NCAS0104、NCAB0104。

纳芯微自动双向型电平转换器选型表