我们非常重视您的个人隐私,当您访问我们的网站时,请同意使用的所有cookie。有关个人数据处理的更多信息可访问《隐私政策》
产品特性
• 电源电压:
VDD:3V 至 3.6V,4.5V 至 5.25V
VDDL:1.8V 至 3.6V,4.5V 至 5.25V
• 最大输出支持电流:
5V 转 5V 时为 85mA
5V 转 3.3V 时为 90mA
3.3V 转 3.3V 时为 45mA
• 出色的电磁兼容性 (EMI):低辐射
• 过流和过温保护
• 数据速率:直流至 20Mbps
• 传播延迟:<75ns
• 工作温度:-40℃~125℃
• 符合 RoHS 标准的封装:LGA-18
应用场景
• 工业楼宇管理系统(BMS)
• 工业自动化系统
• 隔离式RS232、RS485、CAN
• 通用多通道隔离
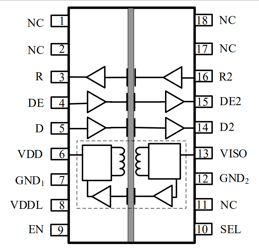
功能框图


如您需要咨询产品更多信息,请点击“联系我们”,我们将尽快回复您!