我们非常重视您的个人隐私,当您访问我们的网站时,请同意使用的所有cookie。有关个人数据处理的更多信息可访问《隐私政策》
NSR2260x-Q1系列产品为可调输出的非同步控制器,适用于采用低端 N 沟道 MOSFET 的开关稳压器。该系列器件采用峰值电流模式控制,并集成斜坡补偿,适用于对低侧 MOSFET 有需求的拓扑结构,如升压 (Boost)、反激 (Flyback)、SEPIC 等。
NSR2260x-Q1系列产品内置软启动、欠压锁定、逐周期限流、短路保护和过热关断功能,部分型号(-2/-4/-6)还支持Hiccup模式过载保护。该系列产品同时具备低静态电流和低关断电流,并通过可选扩频功能(-3/-4/-5/-6)优化电磁兼容性能。封装形式包括 DFN12 和 HTSSOP14,满足不同设计需求。
产品特性
• 符合 AEC-Q100 Grade 1 车规认证
• 宽输入电压范围:4V ~ 50V
• 内置驱动器,峰值驱动电流 1.5A
• 精准反馈参考电压:1V ±1%
• 低关断电流,低静态电流
• 峰值电流模式控制,内置斜率补偿
• 可调软启动,支持扩频功能
• 集成保护功能:逐周期限流、短路保护、过压保护、过温保护
• Hiccup模式过载保护(-2/-4/-6)
• 抖频模式以优化EMC性能(-3/-4/-5/-6)
• Wettable flank 3.0 mm × 2.0 mm DFN12封装选项
• Lead-type 5.0 mm x 4.4 mm HTSSOP14封装选项
应用场景
• 汽车 OBC (On-board Charger)
• 汽车 DC-DC 转换器
• 汽车牵引逆变器
• 汽车热管理(PTC, 空压机)
• 汽车启停应用
• 汽车 ADAS 驱动信息系统
• 音频功放升压电源
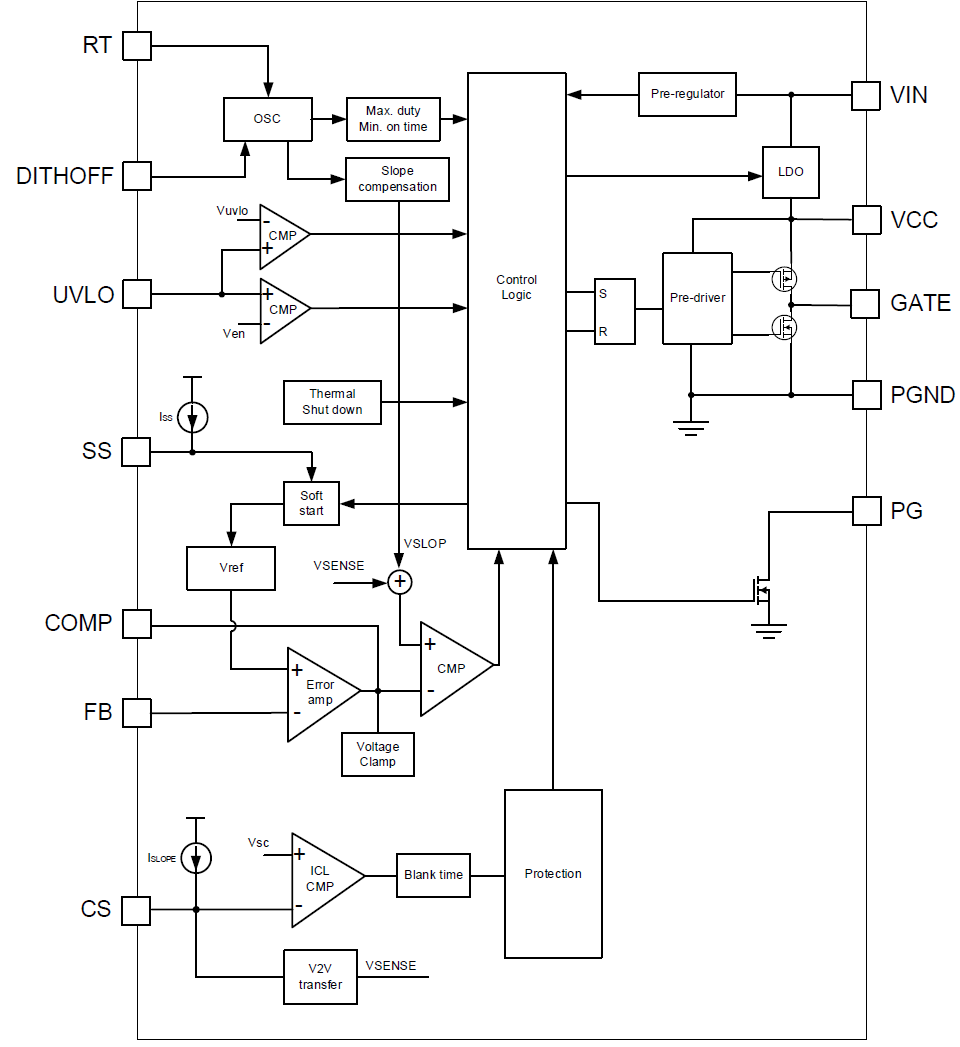
功能框图


如您需要咨询产品更多信息,请点击“联系我们”,我们将尽快回复您!