我们非常重视您的个人隐私,当您访问我们的网站时,请同意使用的所有cookie。有关个人数据处理的更多信息可访问《隐私政策》
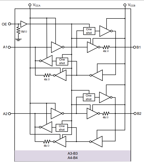
NCAB0104是一款用于推挽应用的4位无方向电压电平转换器。它包含两个电源引脚(VCCA和VCCB)、一个输出使能(OE)引脚和两个4位I/O端口(An和Bn)。VCCA引脚可接受1.1 V至3.6 V范围内的任意电源电压,VCCB引脚可接受1.65 V至5.5 V范围内的任意电源电压,且VCCA不得高于VCCB。这使得该器件适用于任何电压节点(1.8 V、2.5 V、3.3 V和5.0 V)之间的电平转换。A和B端口(An和Bn)分别设计为跟踪VCCA和VCCB。OE引脚以VCCA为参考。将OE引脚置为低电平会使所有输出处于高阻态。将OE引脚置为高电平将使能该器件。为确保在上电或断电期间处于高阻态,OE引脚必须通过一个下拉电阻连接到GND引脚;电阻的最小值由驱动器的电流源能力决定。
产品特性
• VCCA 电压范围为 1.1 V 至 3.6 V
• VCCB 电压范围为 1.65 V 至 5.5 V(VCCA ≤ VCCB)
• 最大数据速率:100 Mbps(推挽式)
• 静电放电(ESD)保护超过 JESD 22 标准:
○ A 端口:± 8 kV 人体模型(HBM,A114)
○ B 端口:± 15 kV 人体模型(HBM,A114)
○ A 端口:± 2 kV 带电器件模型(CDM,C101)
○ B 端口:± 2 kV 带电器件模型(CDM,C101)
• IEC 61000 - 4 - 2 静电放电(B 端口):± 15 kV 接触放电
• 闩锁性能按照 JESD78 标准 II 类超过 100 mA
• 符合 RoHS 标准
• 多种封装选项
应用场景
• 服务器
• 路由器(电信交换设备)
• 个人电脑、工业自动化设备
• 主处理器与外围模块之间的隔离器和电平转换器
功能框图


如您需要咨询产品更多信息,请点击“联系我们”,我们将尽快回复您!