我们非常重视您的个人隐私,当您访问我们的网站时,请同意使用的所有cookie。有关个人数据处理的更多信息可访问《隐私政策》

产品中心
低边驱动

产品中心

车规级非隔离双路低边驱动器

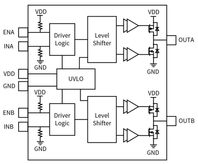
NSD1026V是双通道、高速栅极驱动器,适用于驱动Si MOSFET、IGBT、GaN和SiC功率器件。它能够提供5A的拉电流和灌电流来驱动各类负载,并且具备快速的上升和下降时间。NSD1026V输入引脚和使能引脚均支持最低-10V输入,增加了芯片的鲁棒性。内部电路提供欠压锁定(UVLO)功能,并且输入引脚的高低阈值之间的迟滞功能提供了出色的抗扰性。NSD1026V的两个通道具有极小的传输延时延迟匹配,可以用于需要并联使用的场景。

产品特性

• 电源电压范围:4.6至26V (最大耐压30V)

• 拉/灌驱动电流:5A(峰值)

• 每个通道输出都有独立使能引脚

• 输入、使能引脚支持负压低至-10V

• CMOS/TTL兼容逻辑输入

• 输出引脚支持5A反向灌电流,无需额外保护电路

• 工作温度范围:-40℃~125℃

应用场景

• 电源系统

• 工业电机、变频

• 光伏、储能

功能框图

NSD1026V-Q1.png

如您需要咨询产品更多信息,请点击“联系我们”,我们将尽快回复您!