NSD7314/NSD7314-Q1 is a brushed DC motor driver IC. The IC has built-in N-MOSFET and provides full protection for the power level, including power supply undervoltage protection, overcurrent protection and overtemperature protection. This product can provide 6A peak current and supports PWM current regulation. The internal power path current mirror function is added, and the external ADC/MCU can directly obtain the current value from the pin of the product, saving power sampling resistor and optimizing the layout. The Automotive version has passed the AEC-Q100 qualification to meet the requirements in terms of quality and reliability of vehicles.
Product Features
• Wide operating voltage range: 4.5V-36V (Absolute max rating 40V)
• On-resistance (HS + LS) 220mΩ
• Peak current 6A
• AEC-Q100 qualified
• Supporting current modulation
• Undervoltage protection
• Overcurrent protection
• Over-temperature protection
• Operating temperature: Tj=-40°C~150°C
Application
• Home appliances
• New energy vehicles
• Brushed DC motor module
• Automotive thermal management system
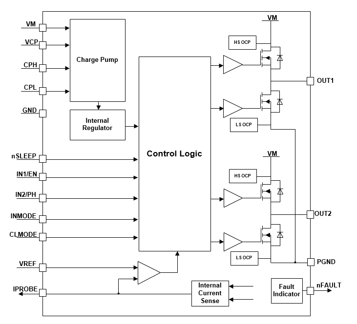
Functional Block Diagram


For more product information, please contact us.