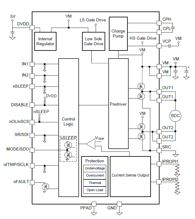
NSD7315 series is a H-bridge Brushed DC motor driver IC which capable to withstand 40V abs. and 10A peak output. Its output slewrate is configurable and integrates current sensing function, open-load detection diagnosis and full protection features(UVLO, CPUV, OCP, TS, nFAULT output). The IC has both hardware and SPI interface version, and can be configured as 1 H-bridge or dual half-bridge, to drive 1 BDC motor or 2 valves .etc. loads.
Product Features
• AEC-Q100 qualified Grade 1: –40°C to +125°C TA(automotive version)
• Working votlage: 4.5V~35V (40V abs.), Output current: 10A peak
• Low Rds(on) (High Side + Low Side): 150mΩ at TJ = 25°C, 13.5V
• Integrated current sensing: Proportional current output (IPROPI)
• Offer configurable control modes
– PH/EN
– PWM(IN1/IN2)
– Independent Half-Bridge control
• Output slewrate configurable, improve EMI performance
• Low power sleep mode: quiescent current 3uA@TJ = 25°C, 13.5V
• SPI or Hardware interface options:
– SPI Interface:NSD7315S-Q1
– Hardware interface:NSD7315H-Q1
• Diagnosis and protection features:
– UVLO: VM undervoltage lockout
– CPUV: Charge pump undervoltage
– OCP: Overcurrent protection
– TSD: Thermal shutdown and thermal warning
– OL: Open load detection
– Fault condition output (nFAULT/SPI)
Application
• Electronic throttle control
• Exhaust gas recirculation
• Side-view mirror fold
• Air-flow diverter valve control
• E-lock
• Rolling brush motor
• Tubular motor
Functional Block Diagram


For more product information, please contact us.