2025/12/08
2025/11/05
2025/11/05
2025/08/05
NOVOSENSE Microelectronics (NOVOSENSE) recently launched its new dual-channel half-bridge gate driver IC NSD3602-Q1 series. Integrating 2-channel half-bridge gate drivers, it is capable of driving one brushed DC motor or one to two solenoids. Designed for multi-motor or multi-load automotive body applications, such as window lifter, electric seats, door locks, power tailgates, and proportional valves, NSD3602-Q1 expands NOVOSENSE’s existing NSD360x-Q1 product family. The NSD360x-Q1 lineup also includes 4-channel and 8-channel half-bridge drivers.

Key features
◆ Wide operating voltage range: 4.9V-37V (max. 40V)
◆ Dual-channel half-bridge gate driver
◆ Configurable Charge/Discharge Current Profile Driver (CCPD) for optimized EMC performance
◆ Integrated charge pump supporting 0-100% PWM operation
◆ Integrated one-channel programmable wide-input operational amplifier
◆ Low-power mode
◆ Two variants available: SPI version supporting 16-bit 10MHz SPI communication; hardware version supporting independent IO configuration and reducing MCU IO requirements
◆ Comprehensive diagnostic and protection functions
◆ Operating junction temperature: Tj=-40°C-150°C
◆ Package: VQFN32
◆ AEC-Q100 qualified

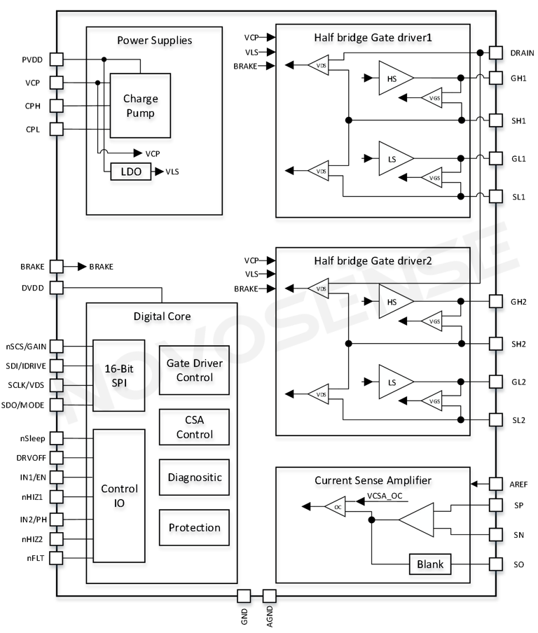
Functional block diagram of NSD3602-Q1
CCPD: Optimizing EMC performance
In automotive body applications, the positioning of actuators, such as those for power tailgates and sunroofs in close proximity to vehicle antennas, imposes demanding electromagnetic compatibility (EMC) requirements for motor drivers. These devices must maintain low radiated/conducted emissions (RE/CE) even during PWM operation.
To address these challenges, NSD3602-Q1 incorporates a Configurable Charge/Discharge Current Profile Driver (CCPD), enabling independent PWM timing current driving for two half-bridges simultaneously, depending on parameters and application requirements of external load (MOSFET). This current-mode driver also eliminates the need for external gate resistors and GS/GD capacitors.
As illustrated in the schematic diagram below, NSD3602-Q1’s CCPD module divides the MOSFET turn-on/turn-off process into three stages: pre-charge/pre-discharge stage, charge/discharge stage, post-discharge stage (only two stages for the turn-on process). All stage durations and drive currents are independently configurable.
Schematic diagram of CCPD drive timing
Wide-input operational amplifier: Precise current sensing and simplified BOM
NSD3602-Q1 features an integrated high-performance current sense amplifier (CSA) that enables accurate current measurement by detecting the differential voltage across an external shunt resistor. The CSA module supports programmable gain and offset adjustment, wide common-mode input range, bidirectional input, as well as blanking and sample-and-hold functions. With the CSA module, precise and flexible current sampling capability can be achieved, lowering BOM costs for customers.
Comprehensive diagnostic and protection functions for enhanced system reliability
NSD3602-Q1 incorporates a complete set of diagnostic and protection features, including real-time power supply and charge pump voltage monitoring, full-range undervoltage and overvoltage protections (DVDD UV, PVDD OV, PVDD UV and VCP UV), VGS and VDS diagnosis and protection via driver module monitoring, load open/short circuit detection in both active and inactive states (through built-in pull-up and pull-down current sources, enabling off-state load monitoring), over-temperature warning and protection, CSA overcurrent detection, watchdog timer, and brake protection function in both sleep and active modes. Configuration and status reading of all diagnostic and protection functions can be performed via SPI, and independent pins are designed for IO status output.
The integrated brake protection function effectively suppresses voltage spikes caused by external mechanical forces (e.g., manual pulling or dragging), preventing MOSFET damage due to overvoltage conditions. This feature proves particularly critical for applications including power sliding doors, electric pedals, and liftgate actuators, significantly reducing system failure risks associated with improper operation or sudden impacts while improving overall reliability.
Product selection and package options
In addition to NSD3602-Q1, NOVOSENSE offers NSD3604/8-Q1 to meet different channel requirements. The NSD360x-Q1 series supports 2/4/8-channel half-bridge drive solutions with high integration and design flexibility, making them ideal for multi-motor or multi-load applications and simplifying customer selection process.
