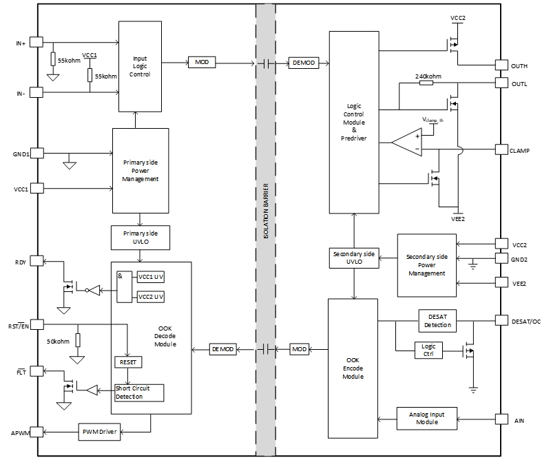
NSI6713/NSI6711 is a single-channel smart isolated gate driver designed to drive IGBT, power MOSFET and SiC MOSFET and other power transistors in many applications and provide protection for their safe operation. It can provide separate output to control the rising and falling duration respectively, it supports rail-to-rail output, and can provide a maximum 10A/10A source and sink current capability. NSI6713/NSI6711 can provide protection functions, such as UVLO, Miller clamp, DESAT protection, soft turnoff and when short circuit fault or undervoltage occurs, the fault can be indicated through a separate pin. NSI6713/NSI6711 supports ASC function and can be used to force the output to be high in emergency situations. It supports minimum common mode transient immunity (CMTI) of 150kV/μs to improve system robustness. The absolute max rating of the driver side is 35V, and the input side accepts supply voltages from 3V to 5.5V. NSI6713/NSI6711 features large drive current, wide power supply voltage range, and high CMTI, and is designed with excellent protection. It is suitable for switching power supply systems and inverters which require high reliability, high power density and high efficiency.
Product Features
• Smart Single-channel Isolation Driver
• Input side power supply voltage: 3V~5.5V
• Driver side power supply voltage: Absolute max rating 38V, with UVLO
• Peak source and sink current 10A/10A
• High CMTI: 150kV/μs
• Typical propagation delay: 80ns
• Maximum pulse width distortion: 30ns
• Minimum receivable input pulse width: 40ns
• Rail-to-rail output, with separate output as an option
• Protection mode:
-Active short circuit protection, different control mode
• option on both sides
-Miller Clamp 5.7A
-DESAT protection with a threshold of 9V
-Support soft turnoff at a current of 135mA, 420mA options
-Support fault reporting, reset or enable
• Operating temperature: -40°C~125°C
Safety Certificate
• UL recognition: 5700VRMS
• DIN EN IEC 60747-17(VDE 0884-17)
• CSA component notice 5A
• CQC certification per GB4943.1
Application
• EV electric drive system
• Air conditioning compressor
• DC-AC solar inverter
• Motor driver
• UPS and battery charger
Functional Block Diagram


For more product information, please contact us.